欢迎来到烟台市恒力数控机床附件有限公司官网!

产品详情

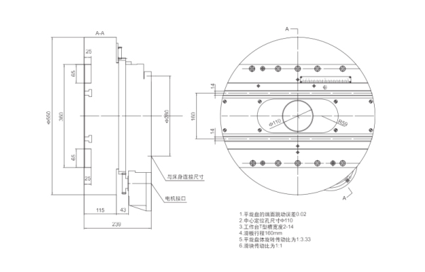
HLZ24系列机械平旋盘

  • 所属分类 :
    数控平旋盘
  • 浏览次数 : ...
  • 发布时间 : 2026-03-24
  • 详细介绍

HLT611B系列平旋盘为机械平旋盘,其旋转运动和滑板的运动都是电机通过差动齿轮箱带动各级齿轮完成,旋转运动是由单级齿轮按1:3.33传动比驱动完成,滑板运动是通过齿轮,蜗轮蜗杆,齿条多级传动链按1:1传动比驱动完成。本平旋盘结构简单,可用于镗床、加工中心或专用机床。

 

54c3a6d8ecf369bbde1b27142baa4becef07a5d5

本文网址 : https://hlskzt.cn/product/271.html
标签 :

COPYRIGHT © 烟台市恒力数控机床附件有限公司 ALL RIGHTS RESERVED 备案号:鲁ICP备17001007号-7